|
|
| |
Technische Daten
/ Merkmale : |
|
| |
Neue
Wärmetauscher TURBOCOIL ® 2SHS - ein hocheffizienter
Wärmetauscher mit höchstem Preis- / Leisstungsverhältnis.
Rohre - neue, innen berippte Rohre mit kleinerem Durchmesser.
Lamellen Turbofin ® 2 - neue Hochleistungs-Aluminium Lamellen
mit spezial "Turbolenzer", um die Entfeuchtung und sen
Reifansatz zu reduzieren. Dichtigkeitsprüfung - Die Lamellenblöcke
werden entfettet, getrocknet und mit trockener Luft von 30 bar
unter Wasser auf Dichtheit geprüft.
Die
Gesamtleistung (sensible und latente Wärme) der Luftkühler
die in unserem Katalog (R404A) für feuchten Betrieb, bezieht
sich auf eine Raumtemperatur von 2,5°C und eine Verdampfungstemperatur
von -7,5°C (DT1=10K). Diese entspricht der Leistung bei trockener
Luft multipliziert mit dem Faktor 1,25 für die latente Wärme
d.h. das Ausscheiden von Kondensat an der Kühleroberfläche.
Dieser Faktor ist abhängig von den Bedingungen des Kühlraums,
dieser ist für höhere Raumtemperaturen höher, und
niedriger bei niedrigen Raumtemperaturen.
| Kältemittel
|
R404A |
R22 |
R134a |
|
| Faktor
FR |
1,00 |
0,95 |
0,91 |
|
| |
| Modell |
Kälteleistung
Delta T = 10K |
Luftmenge |
Anzahl
der Vent. |
Lamellen-abstand |
Leistungs-aufnahme
|
Anschlüsse
|
Wärmetausch-fläche |
Gerät
Abmessungen (mm) |
Netto-gewicht |
| |
(W) |
m³/h |
|
mm |
(W) |
Einritt
|
Austritt |
m² |
B |
T |
H |
(kg) |
| SHP6 |
470 |
220 |
1 |
4,3 |
34 |
8 |
8 |
1,33 |
390 |
352 |
102 |
2,7 |
| SHP9 |
580 |
200 |
1 |
4,3 |
34 |
8 |
8 |
2,00 |
390 |
352 |
102 |
2,9 |
| SHS8 |
700 |
440 |
1 |
5,0 |
35 |
9,5 |
9,5 |
3,50 |
493 |
428 |
171 |
5,1 |
| SHS12 |
780 |
440 |
1 |
5,0 |
35 |
9,5 |
9,5 |
3,50 |
493 |
428 |
171 |
5,2 |
| SHS13 |
950 |
500 |
1 |
5,0 |
35 |
9,5 |
9,5 |
4,90 |
647 |
428 |
171 |
6,1 |
| SHS15 |
1040 |
500 |
1 |
5,0 |
35 |
9,5 |
9,5 |
4,90 |
647 |
428 |
171 |
6,2 |
| SHS18 |
1430 |
850 |
2 |
5,0 |
70 |
9,5 |
9,5 |
6,50 |
803 |
428 |
171 |
8,6 |
| SHS22 |
1570 |
850 |
2 |
5,0 |
70 |
9,5 |
9,5 |
6,50 |
803 |
428 |
171 |
8,7 |
| SHS26 |
2050 |
980 |
2 |
5,0 |
70 |
9,5 |
9,5 |
9,40 |
1126 |
428 |
171 |
10,8 |
| SHS32 |
2290 |
1250 |
3 |
5,0 |
105 |
9,5 |
9,5 |
9,40 |
1126 |
428 |
171 |
12,3 |
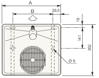
Zeichnung
SHP mit 1 Ventilator

Die
Produkte sind in Übereinstimmug mit der EG Richtlinie 89/390
EWG und nachfolgenden Ergänzungen entwickelt, konstruiert und
gefertigt und entsprechen folgenden Normen:
–
EN 60/335-1 (CEI 61-50) Sicherheit elektrischer Geräte für
den Hausgebrauch und ähnliche Zwecke Teil 1: Allgemeine Anforderungen.
– CEI-EN 60/335-2-40 Sicherheit elektrischer Geräte für
den Hausgebrauch und ähnliche Zwecke. Teil 2: Besondere Anforderungen
für elektrische Wärmepumpen, Klimageräte und Entfeuchtungsgeräte.
Richtlinie 89/336 EWG und nachfolgende Ergänzungen. Elektromagnetische
Kompatibilität. –
Richtlinie 73/23 EWG Niederspannung. – EN 294 Schutzgitter.
|
Zurück
zur Übersicht - Luftkühler / Verdampfer
|